ROTOGRAVURE LOAD CELL (ABL 150)





Features:

  • Large capacity range
  • Anodized aluminium alloy
  • Special shielded cable and connector output type of detachable mic
  • Off-axis high strength to resist the force
  • Designed for web tension measuring
  • Easy mounting with clamp

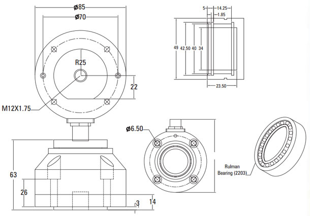
Dimensions:

Type RS Accuracy class0,5%F.S
Capacity (Emax) 25,50,100 Kg Minimum dead load0% R.O
Rated output R.O2,0 mV/V Zero balance1 %R.O
Temperature effect on zero< 0,014%R.O/5°C Temperature effect on output< 0,010%R.O/5°C
Compensated temperature range-10 /+40 °C Temperature range safe-30 /+70 °C
Maximum safe central overload150 %R.O Ultimate central overload300 %R.O
Excitation5 V Input impedance395±30Ω
Output impedance350±3Ω Insulation resistance>5000 MΩ
Construction Anodized aluminiumalloy Environmental protection>IP55
Cable type2x2x0,22 mm Cable length 3 m
Weight0,9 kg Excitation + Green        - Black
Recommended bearing No. 2203 Signal + White           - Red