
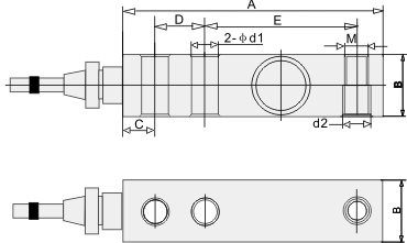
| Rated Load (t) | A | B | C | D | E | M | d2 | d1 |
| 0.5-2 | 130 | 31.8 | 15.8 | 25.4 | 76.2 | M12*1.75 | 18 | 13 |
| 3T, 5T | 171.5 | 38.1 | 19.8 | 38.1 | 95.3 | M18*1.5 | 20 | 20 |
| 10T | 225.5 | 50.8 | 25.3 | 50.8 | 124 | M24*2 | 27 | 27 |
| Related Load (kg.) 100, 200, 300, 500, 750, 1T, 2T, 3T, 5T, 10T | |
| Precision C3 | Insulation Resistance(M Ω) ≥5000(50) |
| Composition Error ± 0.03 / 0.02 | Excitation Voltage (VDC)9~12 |
| Rated Output (mv/v) 3 ± 0.0002 | Compensated temp. Range (°C)-10~+40 |
| Non-Linearity (%FS)0.03 / 0.02 | Use Temp. Range (°C) -20~+55 |
| Hysteresis (%FS)0.03 / 0.02 | Temp. Effect on Zero (%FS/10°C)0.019 |
| Repeatability (%FS)0.02 / 0.01 | Temp. Effect on Span (%FS/10°C)0.011 |
| Creep (%FS/30min)0.03 / 0.02 | Safe Overload (%FS)120 |
| Zero Balance (%FS)± 1 | Ultimate Overload (%FS)150 |
| Input Resistance (Ω)350 ± 5 | Defend GradeIP68 |
| Output Resistance (Ω) 350 ± 3 | Cable4mm, 3mtr |